logo
メッセージを送る

カーボン/Alloyの鋼管、ERWの鋼管、API 5L LSAW&SSAWのASME B16.9/MSS SP-75 BWの管付属品、ASME B16.5/16.47の鋼鉄フランジ、ASME B16.11/MSS SP-97は付属品、ナイフのゲート弁、蝶弁、球弁、地球弁、API弁を造った

家へ
製品
わたしたち に つい て
工場 ツアー
品質管理
連絡 ください
見積依頼
ニュース
ホーム 製品鋼管の付属品

ソケットの溶接90º肘

オンラインです
認証
中国 Hebei Lufeng Piping Equipment Co., Ltd. 認証
中国 Hebei Lufeng Piping Equipment Co., Ltd. 認証

ソケットの溶接90º肘

詳細製品概要

ソケットの溶接90º肘 ソケットの溶接90º肘 ソケットの溶接90º肘
製品名: ソケットの溶接90º肘
項目: socketweld肘
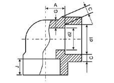
細部:

わずかな直径

ソケットの深さ

ソケットの次元

壁厚さ
ソケットの底を付けるべき中心
Cmin
90°Elbow
45°Elbow
DN
NPS
Jmin

d1

3000LB
Sch80
6000LB
Sch160
9000LB
XXS
3000LB
Sch80
6000LB
Sch160
9000LB
XXS
3000LB
Sch80
6000LB
Sch160
9000LB
XXS
6
1/8
10
10.7
3.2
3.5
-
11
11
-
8
8
-
8 1/4 10 14.1 3.3 4.0 - 11 15 - 8 8 -
10 3/8 10 17.5 3.5 4.4 - 13 15 - 8 12 -
15 1/2 10 21.8 4.1 5.2 8.2 16 19 25 11 13 16
20 3/4 13 27.4 4.3 6.1 8.6 19 22 28 13 14 18
25 1 13 34.2 5.0 7.0 10.0 22 27 32 14 18 22
32 1.1/4 13 42.9 5.3 7.0 10.6 27 32 35 18 21 22
40 1.1/2 13 48.3 5.6 7.8 11.2 32 38 38 21 25 25
50 2 13 61.1 6.1 9.5 12.2 38 41 41 25 29 29
65 2.1/2 16 76.9 (73.8) 7.7 12.5 - 41 57 - 29 32 -
80
3 16 89.8 8.3
13.8
-
57 64 -
32
35
-
100
4
19
115.5
9.4
-
-
66
-
-
42
-
-

連絡先の詳細
Hebei Lufeng Piping Equipment Co., Ltd.

コンタクトパーソン: Sam

電話番号: +8613031891590

私達に直接お問い合わせを送信